W363.0mm × H100.0mm エレベーター用挿入式アルミ製ヒートシンク
AB36
大型の冷却装置の需要に対応して、私たちは従来のアルミ押出し型冷却フィンの制約を打破し、幅と高さを柔軟に増やすことができ、お客様により多くの冷却フィンの選択肢を提供します。 例えば、エレベータ設備、大型インバータ設備、各種家電製品など、お客様の図面・設計に応じた加工・表面処理が可能で、優れた放熱効果を発揮し、従来のヒートシンクに新たな変化をもたらします。
エレベーター産業 - 挿入式アルミ製ヒートシンク
素材
- アルミニウム合金 6063-T5
製品サイズ(mm)
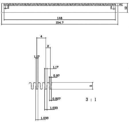
- ヒートシンクの幅 363
- ヒートシンクの高さ 100
- ヒートシンクの長さは指定に従って切断 (*全サイズは型を開けてカスタマイズ可能)
製造プロセス
- 長さをカットします
- バリ取り
- パンチング加工
- CNC加工
- ミリングマシン処理
- 超音波クリーニング、脱脂
表面処理
- 陽極酸化、メッキ、クロム酸処理、焼き付け塗装、サンドブラスト...など。(*指定に応じてカスタマイズ)
パッケージ
- 段ボールまたはパレット包装。(*指定に応じてカスタマイズ)
アプリケーション
- さまざまな産業の冷却設備に適用:LED、コンピュータ、UPS無停電電源装置、インバータ設備、エレベーター設備、列車設備...適用範囲は非常に広い。
仕様
幅と高さは仕様品に応じて組み合わせることができ、より大型のヒートシンクを構成します。
| 押出し幅 mm | 最大フィン数 |
|---|---|
| 122 | 27枚 x 0.8t |
| 146 | 34枚 x 0.8t |
| 155 | 37枚 x 0.8t |
| 192 | 44枚 x 0.8t |
| 208 | 47枚 x 0.8t |
| 250 | 59枚 x 0.8t |
| 番号 | 総長 | 総幅 | ブレードの高さ | 底の厚さ | ブレード間隔 | ブレードの厚さ |
|---|---|---|---|---|---|---|
|
AB-122 |
ニーズに応じてカスタマイズ | 122 | 20 ~ 127 | 12 | 4 | 0.8 |
| AB-146 | 146 | 20 ~ 115 | ||||
|
AB-155 |
155 | 20 ~ 115 | ||||
| AB-192 | 192 | 20 ~ 115 | ||||
| AB-208 | 208 | 20 ~ 115 | ||||
| AB-250 | 250 | 20 ~ 127 |
- その他の情報
-
- 生産スケジュール:ケースによって異なる製造時間があります。
- OEMサービス:あり
- 認証
-
- RoHS 2.0
- SGS
- ISO 9001:2015
- 添付ファイルのダウンロード
-


